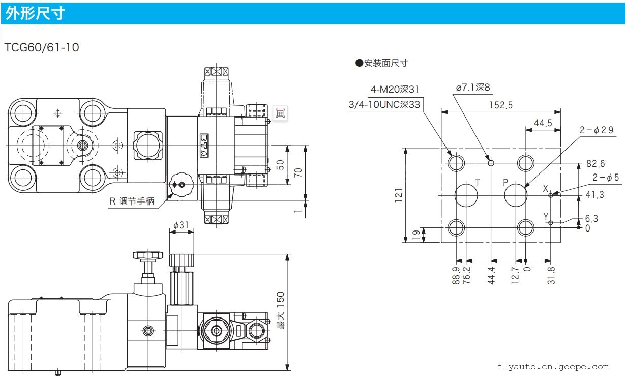
- TCG60-10-BV-B-U2-D-17东京计器TOKYO KEIKI多段控制电磁先导溢流阀TOKIMEC
详细信息
品牌:东京计器TOKYO KEIKI 型号:TCG60-10-BV-B-U2-D-17 加工定制:否 类型:电磁先导溢流阀 材质:铸铁 类型(通道位置):先导式 连接形式:底板式 驱动方式:电磁 适用范围:液压系统 产品别名:电磁式多段控制溢流阀 适用介质:油品 公称压力:21 MPa 安装形式:底板式 工作温度:常温 零部件及配件:阀体 流动方向:单向 形态:角式 压力环境:高压 主体材料:铸铁 TCG60-10-BV-B-U2-D-17东京计器TOKYO KEIKI多段控制电磁先导溢流阀TOKIMEC
品牌:东京计器 TOKYO KEIKI (原旧称 东机美 TOKIMEC )产地:日本
型号:TCG60-10-BV-B-U2-D-17
除了有当液压回路中的压力过高时进行泄流的安全阀的作用之外,还可以在很大范围内很好地控制回路中的压力。
重量:14.1kg
Max.压力调节范围:7MPa
通过切换附帯的电磁换向阀,可以进行2至3段的压力设定。
品牌: 东京计器 TOKYO KEIKI (原旧称 东机美 TOKIMEC )產地: 日本
TCG60-10-BV-B-U2-D-17东京计器TOKYO KEIKI多段控制电磁先导溢流阀TOKIMEC TCG60-10-BV-B-U2-D-17东京计器TOKYO KEIKI多段控制电磁先导溢流阀TOKIMEC
使用时的注意事项
●油箱油路中的压力高时或者压力变化大时,请使用外部泄油型 (Y),将泄油油路配管直接接至油箱。配管时请注意油管的末 端必须要深入油面以下。
●小流量控制时,设定的压力可能会不稳定,所以请注意使用时 03 系列必须要在3 L/min以上,06、10系列必须要在5 L/min以上。
●需要提高卸荷到加载的响应速度时,请使用高压排放型(V)。
●多段压力控制的设定,请在叠加在电磁换向阀下面的阀(TGMCR ** -3)上进行。 对于 TCG62、63、70,是将多段控制压力中Max.高的压力作为主 阀的设定压力,而对于 TCG80,则主阀的设定压力需要高于多 段控制压力中的Max.高压力。
●松开锁紧螺母,将手柄向右旋转压力上升,向左旋转则压力下降。
●排放卸荷无冲击阀(TGMSL-3),仅在主阀卸荷时发挥作用。(仅 在 TCG50,55,62,63 的电磁铁为 OFF 时,以及将 TCG80 的 C 调节部分设定为卸荷时有效)
●排放卸荷无冲击阀,在拧紧调节螺栓的状态下不发挥作用。另外, 在完全拧松的位置时,则排放回路处于关闭状态,主阀不能卸荷, 因此请将其调节至中间合适的位置。
●将外部泄油型安装在副板上时,请将泄油管从阀开始直接配管。
TCG60-10-BV-B-U2-D-17东京计器TOKYO KEIKI多段控制电磁先导溢流阀TOKIMEC
-
产品搜索
-
产品分类
-
TOKIMEC东京计器 东机美
-
ASK液压 水压 附件
-
ACT压力开关|ACT仪表
-
TOYOOKI丰兴/JTEKT捷太格特
-
东洋计器兴业TOKO
-
DK—计器DAIICHI KEIKI
-
日新计器NISSHIN GAUGE
-
右下精器MIGISHITA
-
不二越NACHI
-
REGAL JOINT流量传感器
-
长野计器NAGANO KEIKI
-
山本计器YamamotoKeiki
-
OSAKA JACK大阪千斤顶
-
山阳计器SKS
-
DAIKIN大金液压
-
高岛计器TAKASHIMA
-
淀川计器YODOGAWA压力表
-
旭计器ASAHI GAUGE
-
NESS压力表 温度计
-
大东计器DAITOU KEIKI
-
MacDermid麦德美
-
-
公司相册
扫一扫,手机浏览




















