- EHR3-BG5R-06丰兴TOYOOKI( JTEKT) 电流控制式溢流阀
详细信息
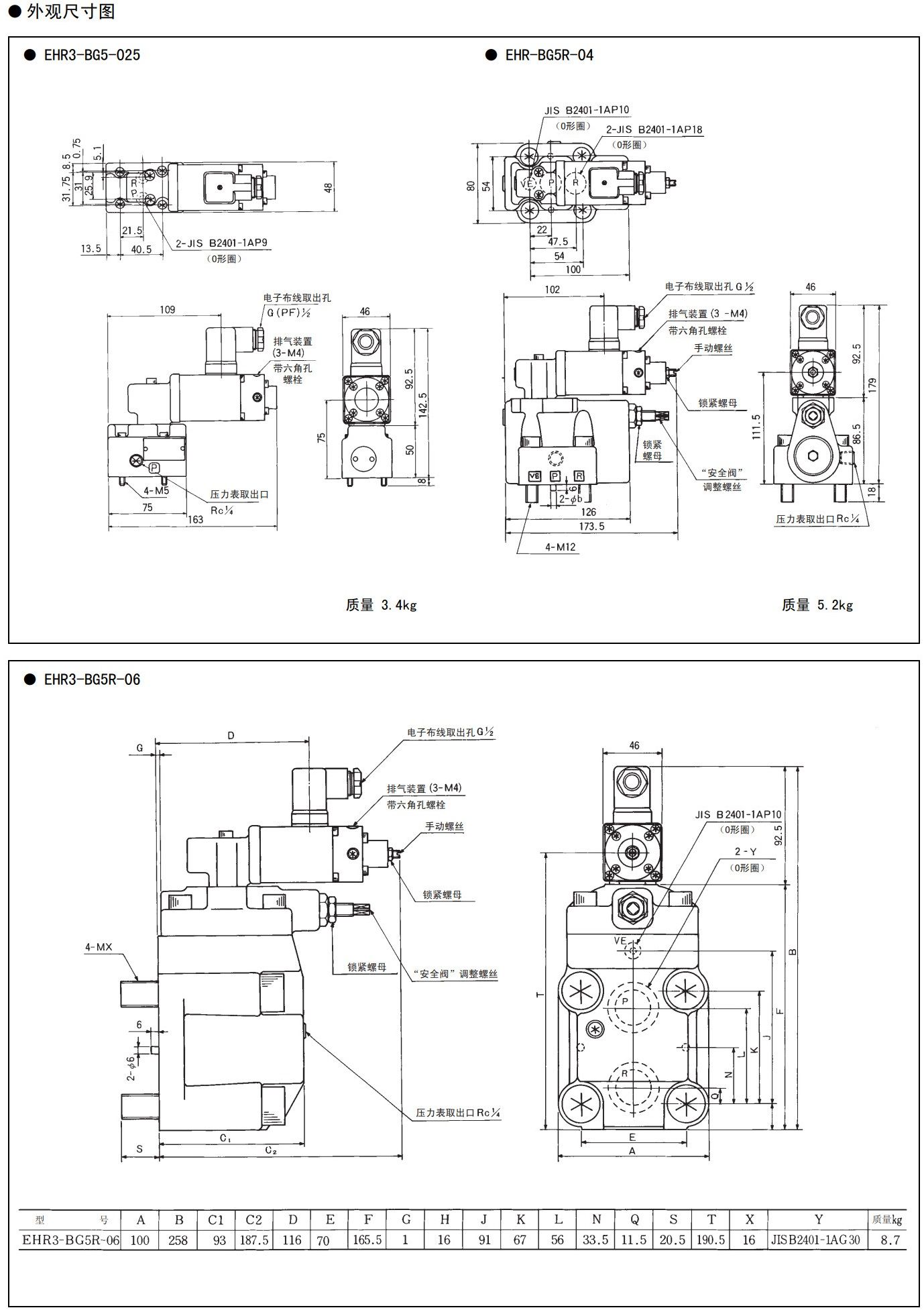
品牌:丰兴TOYOOKI( JTEKT) 型号:EHR3-BG5R-06 加工定制:否 材质:铸铁 适用介质:液压油 该阀是以对液压回路的压力进行连续、同等的远程控制为目的而开发的电流控制式溢流阀。它采用通过控制压力设置的放大器对输入控制部 DC 螺线管的电流进行控制,并且通过螺线管的吸引力直接吸住锥阀进行压力设置的方法。由此,只要使用 1 台电流控制式溢流阀即可进行*大使用压力的多级控制,可以实现液压装置的简略化。
● 特点1. 高响应。
2. 可对压力进行连续同等的远程控制。
3. 溢流阀与控制放大器可分离,因此即使在苛酷条件下同样可用。
4. 可进行程序控制。
5. 与伺服阀相比,受杂质的影响小,因此故障少且容易进行保养管理。
● 用途
1. 纸张、铁板、铁丝等的张力控制。
2. 冲压机、轧钢机的压力控制。
3. 振动试验机、疲劳试验机的加压控制。
4. 挤压机、注射成型机的挤压力控制。
5. 通过与机械弹簧的平衡对各种位置进行控制。
6. 各种液压装置的压力远程控制。
-
产品搜索
-
产品分类
-
TOKIMEC东京计器 东机美
-
ASK液压 水压 附件
-
ACT压力开关|ACT仪表
-
TOYOOKI丰兴/JTEKT捷太格特
-
东洋计器兴业TOKO
-
DK—计器DAIICHI KEIKI
-
日新计器NISSHIN GAUGE
-
右下精器MIGISHITA
-
不二越NACHI
-
REGAL JOINT流量传感器
-
长野计器NAGANO KEIKI
-
山本计器YamamotoKeiki
-
OSAKA JACK大阪千斤顶
-
山阳计器SKS
-
DAIKIN大金液压
-
高岛计器TAKASHIMA
-
淀川计器YODOGAWA压力表
-
旭计器ASAHI GAUGE
-
NESS压力表 温度计
-
大东计器DAITOU KEIKI
-
MacDermid麦德美
-
-
公司相册
扫一扫,手机浏览


















